Resistors in Parallel

Resistors in Parallel

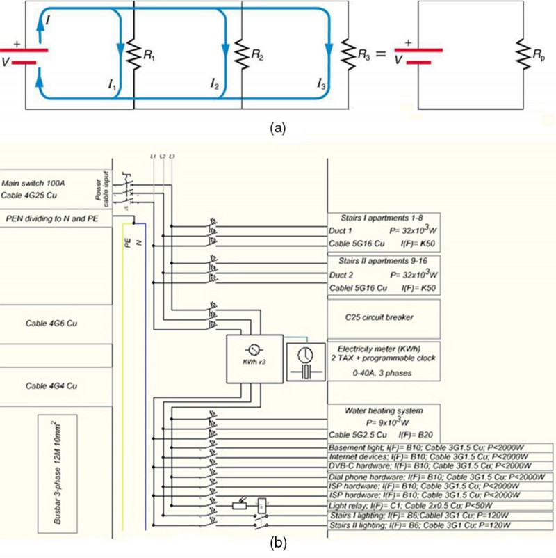
This figure shows resistors in parallel, wired to a voltage source. Resistors are in parallel when each resistor is connected directly to the voltage source by connecting wires having negligible resistance. Each resistor thus has the full voltage of the source applied to it.

Each resistor draws the same current it would if it alone were connected to the voltage source (provided the voltage source is not overloaded). For example, an automobile’s headlights, radio, and so on, are wired in parallel, so that they utilize the full voltage of the source and can operate completely independently. The same is true in your house, or any building. (See this figure (b).)

To find an expression for the equivalent parallel resistance \({R}_{\text{p}}\), let us consider the currents that flow and how they are related to resistance. Since each resistor in the circuit has the full voltage, the currents flowing through the individual resistors are \({I}_{1}=\cfrac{V}{{R}_{1}}\), \({I}_{2}=\cfrac{V}{{R}_{2}}\), and \({I}_{3}=\cfrac{V}{{R}_{3}}\). Conservation of charge implies that the total current \(I\) produced by the source is the sum of these currents:

\(I={I}_{1}+{I}_{2}+{I}_{3}.\)

Substituting the expressions for the individual currents gives

\(I=\cfrac{V}{{R}_{1}}+\cfrac{V}{{R}_{2}}+\cfrac{V}{{R}_{3}}=V\left(\cfrac{1}{{R}_{1}}+\cfrac{1}{{R}_{2}}+\cfrac{1}{{R}_{3}}\right).\)

Note that Ohm’s law for the equivalent single resistance gives

\(I=\cfrac{V}{{R}_{p}}=V\left(\cfrac{1}{{R}_{p}}\right).\)

The terms inside the parentheses in the last two equations must be equal. Generalizing to any number of resistors, the total resistance \({R}_{\text{p}}\) of a parallel connection is related to the individual resistances by

\(\cfrac{1}{{R}_{p}}=\cfrac{1}{{R}_{1}}+\cfrac{1}{{R}_{2}}+\cfrac{1}{{R}_{\text{.}3}}+\text{.}\text{...}\)

This relationship results in a total resistance \({R}_{p}\) that is less than the smallest of the individual resistances. (This is seen in the next example.) When resistors are connected in parallel, more current flows from the source than would flow for any of them individually, and so the total resistance is lower.

Example: Calculating Resistance, Current, Power Dissipation, and Power Output: Analysis of a Parallel Circuit

Let the voltage output of the battery and resistances in the parallel connection in this figure be the same as the previously considered series connection: \(V=\text{12}\text{.}0\phantom{\rule{0.25em}{0ex}}\text{V}\), \({R}_{1}=1\text{.}\text{00}\phantom{\rule{0.25em}{0ex}}\Omega \), \({R}_{2}=6\text{.}\text{00}\phantom{\rule{0.25em}{0ex}}\Omega \), and \({R}_{3}=\text{13}\text{.}0\phantom{\rule{0.25em}{0ex}}\Omega \). (a) What is the total resistance? (b) Find the total current. (c) Calculate the currents in each resistor, and show these add to equal the total current output of the source. (d) Calculate the power dissipated by each resistor. (e) Find the power output of the source, and show that it equals the total power dissipated by the resistors.

Strategy and Solution for (a)

The total resistance for a parallel combination of resistors is found using the equation below. Entering known values gives

\(\cfrac{1}{{R}_{p}}=\cfrac{1}{{R}_{1}}+\cfrac{1}{{R}_{2}}+\cfrac{1}{{R}_{3}}=\cfrac{1}{1\text{.}\text{00}\phantom{\rule{0.25em}{0ex}}\Omega }+\cfrac{1}{6\text{.}\text{00}\phantom{\rule{0.25em}{0ex}}\Omega }+\cfrac{1}{\text{13}\text{.}0\phantom{\rule{0.25em}{0ex}}\Omega }.\)

Thus,

\(\cfrac{1}{{R}_{p}}=\cfrac{1.00}{\Omega }+\cfrac{0\text{.}\text{1667}}{\Omega }+\cfrac{0\text{.}\text{07692}}{\Omega }=\cfrac{1\text{.}\text{2436}}{\Omega }.\)

(Note that in these calculations, each intermediate answer is shown with an extra digit.)

We must invert this to find the total resistance \({R}_{\text{p}}\). This yields

\({R}_{\text{p}}=\cfrac{1}{1\text{.}\text{2436}}\Omega =0\text{.}\text{8041}\phantom{\rule{0.25em}{0ex}}\Omega .\)

The total resistance with the correct number of significant digits is \({R}_{\text{p}}=0\text{.}\text{804}\phantom{\rule{0.25em}{0ex}}\Omega .\)

Discussion for (a)

\({R}_{\text{p}}\) is, as predicted, less than the smallest individual resistance.

Strategy and Solution for (b)

The total current can be found from Ohm’s law, substituting \({R}_{\text{p}}\) for the total resistance. This gives

\(I=\cfrac{V}{{R}_{\text{p}}}=\cfrac{\text{12.0 V}}{\text{0.8041 Ω}}=\text{14}\text{.}\text{92 A}.\)

Discussion for (b)

Current \(I\) for each device is much larger than for the same devices connected in series (see the previous example). A circuit with parallel connections has a smaller total resistance than the resistors connected in series.

Strategy and Solution for (c)

The individual currents are easily calculated from Ohm’s law, since each resistor gets the full voltage. Thus,

\({I}_{1}=\cfrac{V}{{R}_{1}}=\cfrac{\text{12}\text{.}0\phantom{\rule{0.25em}{0ex}}\text{V}}{1\text{.}\text{00}\phantom{\rule{0.15em}{0ex}}\Omega }=\text{12}\text{.}0\phantom{\rule{0.25em}{0ex}}\text{A}.\)

Similarly,

\({I}_{2}=\cfrac{V}{{R}_{2}}=\cfrac{\text{12}\text{.}0\phantom{\rule{0.25em}{0ex}}\text{V}}{6\text{.}\text{00}\phantom{\rule{0.15em}{0ex}}\Omega }=2\text{.}\text{00}\phantom{\rule{0.25em}{0ex}}\text{A}\)

and

\({I}_{3}=\cfrac{V}{{R}_{3}}=\cfrac{\text{12}\text{.}0\phantom{\rule{0.25em}{0ex}}\text{V}}{\text{13}\text{.}\text{0}\phantom{\rule{0.15em}{0ex}}\Omega }=0\text{.}\text{92}\phantom{\rule{0.25em}{0ex}}\text{A}.\)

Discussion for (c)

The total current is the sum of the individual currents:

\({I}_{1}+{I}_{2}+{I}_{3}=\text{14}\text{.}\text{92}\phantom{\rule{0.25em}{0ex}}\text{A}.\)

This is consistent with conservation of charge.

Strategy and Solution for (d)

The power dissipated by each resistor can be found using any of the equations relating power to current, voltage, and resistance, since all three are known. Let us use \(P=\cfrac{{V}^{2}}{R}\), since each resistor gets full voltage. Thus,

\({P}_{1}=\cfrac{{V}^{2}}{{R}_{1}}=\cfrac{(\text{12}\text{.}0\phantom{\rule{0.25em}{0ex}}\text{V}{)}^{2}}{1\text{.}\text{00}\phantom{\rule{0.25em}{0ex}}\Omega }=\text{144}\phantom{\rule{0.25em}{0ex}}\text{W}.\)

Similarly,

\({P}_{2}=\cfrac{{V}^{2}}{{R}_{2}}=\cfrac{(\text{12}\text{.}0\phantom{\rule{0.25em}{0ex}}\text{V}{)}^{2}}{6\text{.}\text{00}\phantom{\rule{0.25em}{0ex}}\Omega }=\text{24}\text{.}0\phantom{\rule{0.25em}{0ex}}\text{W}\)

and

\({P}_{3}=\cfrac{{V}^{2}}{{R}_{3}}=\cfrac{(\text{12}\text{.}0\phantom{\rule{0.25em}{0ex}}\text{V}{)}^{2}}{\text{13}\text{.}\text{0}\phantom{\rule{0.25em}{0ex}}\Omega }=\text{11}\text{.}1\phantom{\rule{0.25em}{0ex}}\text{W}.\)

Discussion for (d)

The power dissipated by each resistor is considerably higher in parallel than when connected in series to the same voltage source.

Strategy and Solution for (e)

The total power can also be calculated in several ways. Choosing \(P=\text{IV}\), and entering the total current, yields

\(P=\text{IV}=(\text{14.92 A})(\text{12.0 V})=\text{179 W}.\)

Discussion for (e)

Total power dissipated by the resistors is also 179 W:

\({P}_{1}+{P}_{2}+{P}_{3}=\text{144}\phantom{\rule{0.25em}{0ex}}\text{W}+\text{24}\text{.}0\phantom{\rule{0.25em}{0ex}}\text{W}+\text{11}\text{.}1\phantom{\rule{0.25em}{0ex}}\text{W}=\text{179}\phantom{\rule{0.25em}{0ex}}\text{W}.\)

This is consistent with the law of conservation of energy.

Overall Discussion

Note that both the currents and powers in parallel connections are greater than for the same devices in series.

Major Features of Resistors in Parallel

  1. Parallel resistance is found from \(\cfrac{1}{{R}_{\text{p}}}=\cfrac{1}{{R}_{1}}+\cfrac{1}{{R}_{2}}+\cfrac{1}{{R}_{3}}+\text{.}\text{.}\text{.}\), and it is smaller than any individual resistance in the combination.
  2. Each resistor in parallel has the same full voltage of the source applied to it. (Power distribution systems most often use parallel connections to supply the myriad devices served with the same voltage and to allow them to operate independently.)
  3. Parallel resistors do not each get the total current; they divide it.

This lesson is part of:

Circuits and DC Instruments

View Full Tutorial

Track Your Learning Progress

Sign in to unlock unlimited practice exams, tutorial practice quizzes, personalized weak area practice, AI study assistance with Lexi, and detailed performance analytics.